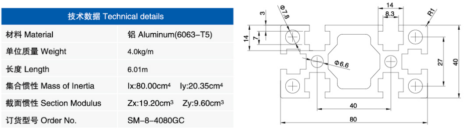
SM-8-4080GC

国标铝型材



SM-8-4080GC

8mm槽宽的工业铝型材系列

适用于应力及强度较大的框架组合结构,它的外型采用原角过度,表面经过阳极氧化处理,高雅美观并抗腐蚀,它通常采用M8x20高强度专用螺栓加弹性扣件的内部连接方式,坚固而又可靠,是工业框架应用最广泛的型材之一。